Ngày 23/02/2026 - 10:21:39 PM
Ghi nhớ
Giỏ hàng của bạn
0 Mục
Tổng: 0 VNĐ
Trang Chủ
Giới Thiệu
Hỗ trợ
Hàng mới
Khuyến mãi
Đặt hàng
Liên hệ
USD
English
Phần cứng, Thiết bị...
Máy Nạp & Adapter
Adapter và Phụ kiện
Socket Adapter
Adapter cho PCB50
Máy nạp ĐA NĂNG
Mạch nạp 8051
Mạch nạp ARM
Mạch nạp AVR
Mạch nạp PIC
Mạch nạp RENESAS
Mạch nạp TI
Mạch nạp XILINX
Mạch nạp Infineon
Board Phát triển
Mini PC
Arduino and Shields
ST Board
8051 Board
ARM Board
AVR Board
PIC Board
Accessory Booard
Ethernet Modules
Interfacer Converter
Keypad Modules
LED Module / Driver
MCU Card / PCB
MMC/SD Module
Motor Driver
Relay Modules
Real Time Clock (RTC)
Audio REC/Play Board
Ô Tô Xe máy
Đèn LED Ôtô / Xe máy
Đồng hồ / Nhiệt độ số
GSM GPRS and GPS
Module Sản phẩm
Phụ kiện GSM GPS
Wireless
WIFI module
LoRa
Bluetooth
RF Data Transceiver
NFC / RFID
RF Remote & Receiver
Power Supply and Battery
Battery Cell
AC/DC Power Supply
DC/DC Power Supply
LED Driver
Dụng cụ và Thiết bị
Thiết bị đo và phụ kiện
Thiết bị hàn, khò, hút chì
Chì hàn và Phụ kiện
Kìm, nhíp các loại
Dụng cụ khác
LK Bán dẫn & Cảm biến
Sensors, Transducers
Capacitive Touch Sensors
Gyroscopes
Cảm biến màu
Cảm biến ánh sáng
Cảm biến Hồng ngoại
C.biến Kh.cách / Siêu âm
C.B Dòng, Từ, Hall Effect
C.B Gia tốc / Rung
C.biến Độ ẩm / Nhiệt độ
C.biến Chuyển động/ PIR
Cảm biến Gas
Cảm biến áp suất
Microcontrollers (MCUs)
ATMEL Microcontroller
8051 Microcontroller
ATmega AVR MCU
ATtiny AVR MCU
Xmega AVR MCU
ARM Microcontroller
Microchip Microcontroller
PIC12F MCUs
PIC16F MCUs
PIC18F MCUs
dsPIC30/33F MCUs
PIC24F MCUs
NXP Microcontroller
NXP 8051 MCU
NXP ARM MCU
ST Microcontroller
STM8 MCUs
STM32 MCUs
TI Microcontroller
GD Microcontroller
Renesas Microcontroller
Toshiba Microcontroller
Memory ICs
AT88SC0104C-SU
24Cxx Serial EEPROM
25Cxx Serial EEPROM
93Cxx Serial EEPROM
Serial Flash Memory
RAM Memory
Clocks & Timers ICs
Real-Time Clock (RTCs)
Timers & Support
Interface, Network ICs
CAN Interface ICs
RS-232 / 485 / 422
Ethernet ICs
USB Interface ICs
UART, IO Ports
Telephone Ringers ICs
Data Conversion ICs
ADC (A/D Converters)
DAC (D/A Converters)
Digital & Logic ICs
140xxx Series
40xxx Series
74xxx DIP
74xxx SMD
Switch IC
GAL16V8D-15LP
Translation-Voltage Level
Digital Potentiometer IC
Digital Isolator IC
Driver & Motor control ICs
Motor Controllers & Driver
LED Drivers
VFD Driver
Darlington Arrays
MOSFET & Power Driver
Power Management ICs
Battery Management
Volt References & Reset
Linear (LDO) Regulators
Switching Regulators
Charge Pumps
PFC / PWM...Controller
V - F Converter
Audio ICs
Audio Codec / Decoder
Audio Control & Driver
Audio Rec / Playback
Audio Power Amplifier
IC nhạc (Melody ICs)
Amplifiers and Linear ICs
Current Shunt Monitor
Comparator
Op Amps
Instrumentation Amplifiers
Opto / Photocouplers ICs
Digital / Logic Ouput
Transistor Output
Triac & SCR Output
RF / RFID & IR Wireless
RF Remote control ICs
RF Transreceivers ICs
NFC / RFID ICs
IR Remote Control ICs
FM Radio ICs
Diodes & Rectifiers
Bridge Diodes
Standard Rectifiers
Fast Recovery Rectifiers
Switching Diodes
Schottky Diodes
Zener Diodes
TVS Diodes
Mosfets & FETs
DIP Package
SMD package
Transistors
DIP Transistors
SMD Transistors
Trias, Thyristors, SIDACs
TRIACs
Thyristors (SCR)
K2500G - SIDAC 250V
Fuses / Circuit Protection
ESD Suppressors
PTC Resettable Fuses
Fuse Holders/Accessories
LK Khác và Phụ kiện
LEDs
LED 1W
LED SMD-0603
LED SMD-0805
LED SMD-1206
LED SMD-1210
LED SMD-5050
LED chân cắm 3mm
LED chân cắm 5mm
LED Dây
7-Segment LED Displays
7-SEG 3.0" (76.0 mm)
7-SEG 1.2" (30.6 mm)
7-SEG 0.56" (14.2 mm)
7-SEG 0.39" (10.0 mm)
7-SEG 0.36" (9.14 mm)
7-SEG 0.28" (7.0 mm)
LED Matrix
LCDs Display
Character LCDs
Graphic LCDs
Thạch Anh & Dao động
SMD Crystals
Through Hole Crystals
Through Hole Oscillator
Tụ Điện
Tụ Polypropylene
Varistor Capacitors
Super Capacitors
Tụ Multilayer Ceramic
Tụ Ceramic loại cắm
Tụ Hóa loại cắm
Tụ Hóa loại cắm Daewoo
Tụ Nhôm SMD
Tụ Tantalum SMD
Tụ Ceramic SMD-0402
Tụ Ceramic SMD-0603
Tụ Ceramic SMD-0805
Tụ Ceramic SMD-1206
Tụ Ceramic SMD-1210
Điện Trở / Biến trở
Biến trở
Điện trở Thanh, Dãy
Điện trở cắm 1/8W
Điện trở cắm 1/4W
Điện trở cắm 2W
Điện trở SMD 0402 1%
Điện trở SMD 0402 5%
Điện trở SMD 0603 1%
Điện trở SMD 0603 5%
Điện trở SMD 0805 1%
Điện trở SMD 0805 5%
Điện trở SMD 1206 1%
Điện trở SMD 1206 5%
Điện trở SMD 2010 1%
Điện trở SMD 2010 5%
Điện trở SMD 2512 5%
Cuộn cảm & Ferrite
Power Inductors
Through Hole Inductors
Cuộn cảm SMD 0402
Cuộn cảm SMD 0805
Cuộn cảm SMD 1210
Ferrite bead / Chokes
Relays
Relay
Buzzer, Microphone
Buzzer
Microphone
Connectors & Sockets
IC Sockets
DIP IC Socket
ZIF IC Sockets
PLCC & SMD Sockets
Battery Holders, Clips
Banana Socket / Plug
DC power Connector
SIM Card Holder
RF / GSM Connector
MMC/SD Sockets
USB Connectors
Audio/Video Connectors
RJ45, RJ11, PS/2 Socket
Pin-headers & Jumper
IDC Sockets & Headers
D-Sub Connectors
Terminal Blocks
Công tắc,Nút nhấn,Joystick
Joystick
DIP Switches
Magnetic, Reed Switches
Tact Switches
Push Switches
Breadboard, Hộp
Breadboard
Hộp các loại (Tool Box)
Tản nhiệt (HeatSink)
Tản nhiệt (Heatsink)
Cáp và Dây các loại
Dây các loại
Cáp các loại
Board Spacers, Standoffs
Screw PCB Pillars
Hex Space Male/Female
Hex Space F / Female
Thống kê truy cập
Đang online :
103
Số lượt truy cập :
8300531
Lọc SP theo Nhãn hiệu
Chọn nhãn hiệu
4UCON
ABC
Ai Thinker
AIC
Allegro
Altera
Ampron
AMS
Analog Devices
Andorin
Aosong
APEM
APLUS
A-POWER
APPCON
Arduino
ARKLED
ASAIR
AST (A-Sung Tech)
ATMEL
Avago
AVX
Binh Minh Electronics
Bohua
BOKLES
Bothhand USA
Bourns Inc.
Burans
CEM
CF
Champion Micro
Cheng
Chong
CJ
Crownpro
CTS
Cypress
Daewoo
Dallas
Diodes Inc.
Eagle Power
Ebyte
ELNEC
EM Microelectronic
Enplas
EON
Espressif
Evercolor
Everlight
Everlight
Exar
Fairchild
FLUKE
Freescale
FriendlyARM
FTDI
Fujitsu
GCT
GigaDevices
GP
GTC
HanRun
Hantek
Hanwei Sensor
HC
HC Tech
Hitachi
Holtek
Honeywell
Hope
Hottech
HPDTeK
HUIKE
Humirel
HY
Infineon Technologies
Intersil
InvenSense
IR
Japan
JRC
JSCJ
JWCO
KAMCAP
KDS - Japan
KEFA
KSS
Lattice
Linear Technology
Lite-On Inc.
Littelfuse
Lodestar
LRC
Macroblock
Maxim
MaxLinear
MDD
Mean Well
MF
MIC
MICREL
Micro One
Microchip
Micron
MITEL
MKA
MORNSUN
Motorola
MPS
Murata
NDK
NEC
NEC/TOKIN
NIPPON CHEMI-CON
NORDIC
NS
Nuvoton
NVIDIA
NVIDIA, Waveshare
NXP
OEM
Omron
ON
Onsemi
Orange Pi
Orange PI
Panasonic
PCT
Philips
Polytronics Technology
Prolific
Pro'sKit
PTC
Pulse Electronics
Rainsun
Raspberry Pi
RDA
Realtek
Renesas
Richtek
ROHM
Rubicon (Japan)
Ruifeng
Samsung
Sanyo
Selittel
Semic
Semi-Fixed
Semtech
Sensirion
SEP
Sharp
Shenzhen
SHOUHAN
Silabs
Silan
SIMCOM
Sipex
SOFI-TECH
Songle
SST
ST
Stellarsource
Sunlord
SunmAte
Taiwan
TAIYO ELECTRIC
TAKAMISAWA
TAOS
TDK
Texas Instruments
Thiên Minh (TMe)
Thuchopy
TKE
TNI-U
Tontek
Toohong
Toolour
TOP
Top Power ASIC
Toshiba
TST
TXC
UniOhm
UniOhm
UTC
UTRON
VISHAY
VLSI
Waveshare
WCH
Winbond
WIZnet
Worldsemi
Würth Elektronik
Xeltek
Xeltek.cn
XGecu
Yageo
Yamachi
ZETEX
ZYO
PCB TQFP
Các loại PCB TQFP giúp bạn dễ dàng hơn trong việc sử dụng các loại CHIP SMD
Bạn có tể dễ dàng chuyển đổi kiểu chân, Dễ dàng thay thế và thiết kế bo mạch đơn giản hơn.
Ngoài ra bạn cũng có thể nhanh chóng thực hiện các thử nghiệm của mình trên các Prototype hoặc
Breadboard
Bạn nên tham khảo
Quan trọng:
Hổ trợ khách hàng
Tạo tài khoản mua hàng online
Làm thế nào để mua hàng online
Các Phương thức Thanh toán
Phần cứng, Thiết bị... >
Accessory Booard
>
MCU Card / PCB
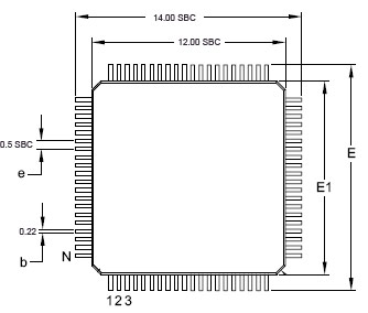
> TQFP80/0.5/14
Hình ảnh có thể chỉ là đại diện, xem datasheet để có thông số chính xác hơn
(Click vào hình để xem kích thước đầy đủ)
TQFP80/0.5/14
TQFP80/0.5/14 (mm) PCB
(
Cập nhật 27/08/2013
)
Mã hàng:
TQFP80/0.5/14
Ngày đăng:
27/08/2013
Nhãn hiệu:
Thiên Minh (TMe)
Xuất xứ:
Kiểu Chân:
TQFP(80)
Phân Nhóm:
TQFP PCB
Giá bán:
Số lượng (Miếng)
1 - 9
10 - 99
100 - 499
500+
Đơn Giá (VNĐ)
35,000
30,000
25,000
23,000
Đơn vị tính:
Miếng
Số lượng còn:
357 Miếng
Lượt xem:
5094
Số lượng mua:
Ghi chú:
Thông tin sản phẩm
TQFP80/0.5/14 (mm)
Bo mạch in chuyển đổi kiểu chân cho Chip TQFP-80
Thích hợp cho TQFP-80 có Picth: 0.5mm, WG: 14mm
Thích hợp cho TQFP-80. ví dụ như ARM7, PIC, dsPIC, PIC32...
Mục 8/9